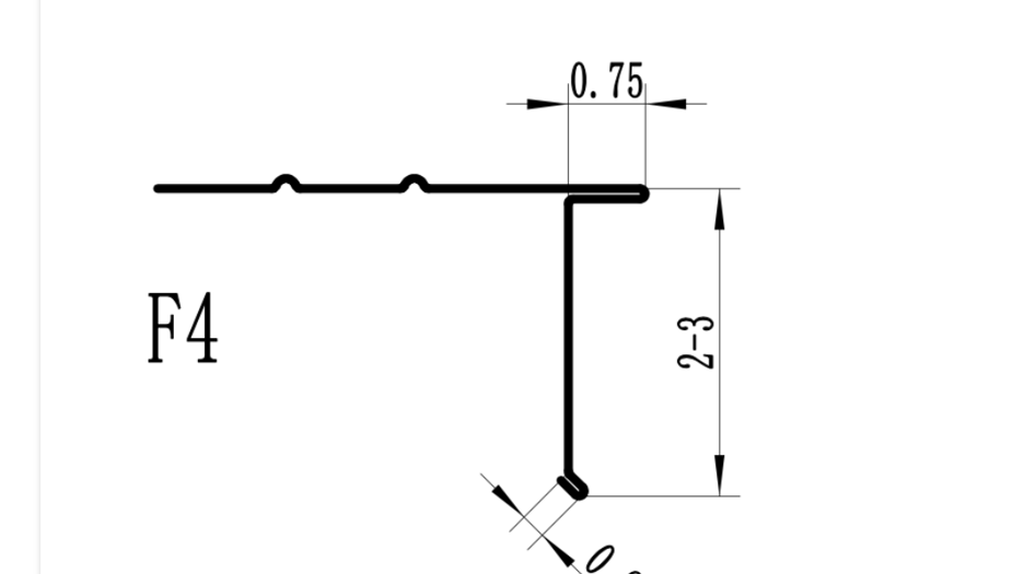
F4 Style Drip Edge Profile

This style is popular in residential roofing applications, particularly in regions prone to heavy rainfall or snow

Posted on Tuesday, October 1, 2024

F4 Style Drip Edge Profile .png file | 593 KB

The F4 style drip edge profile is a common roofing accessory used to direct water away from the fascia and protect the roof's underlying structure from water damage. It typically has a wider face compared to standard drip edge profiles, offering greater protection.

In detail, the F4 style drip edge features:

  • A top flange that tucks under the roofing material (shingles, metal roofing, etc.).
  • A wider face, often around 4 inches, that covers more of the fascia or roof edge.
  • A drip edge lip or "kick" at the bottom to help guide water away from the roof and fascia, preventing water from clinging to the surface and causing rot or damage.

This style is popular in residential roofing applications, particularly in regions prone to heavy rainfall or snow, where additional protection is required for water runoff.

An F4 roll forming machine is designed to produce F4-style drip edge profiles commonly used in roofing applications. These machines are typically highly specialized, allowing for precise shaping of metal coils into the desired F4 drip edge profile, with a wider face and a drip lip that directs water away from the fascia.

Key Features of an F4 Drip Edge Roll Forming Machine:

  1. Custom Tooling: The machine is equipped with tooling specifically designed to create the F4 profile, including the 4-inch face and the kick or drip lip.
  2. Material Compatibility: Capable of forming various materials such as aluminum, steel, and galvanized steel, typically in thicknesses between 0.019" and 0.040".
  3. High Speed and Precision: These machines are engineered for high-volume production, allowing roofing contractors and manufacturers to meet demand efficiently while maintaining the precise shape and dimensions of the F4 drip edge.
  4. Adjustable Settings: Some machines may offer adjustable width settings, so you can fine-tune the face size if needed, though the standard F4 profile usually maintains a consistent 4-inch face.
  5. Automated Cutting and Stacking: Many machines are integrated with cutting systems that automatically cut the drip edge to the desired length and stack them for easy collection and packaging.

If you're considering purchasing an F4 drip edge roll forming machine, it would be ideal to explore options that offer fast changeover times, robust construction, and easy maintenance to keep up with production needs.

Understanding Coil IDs, Mandrel Sizing, and Shear Pin Safety in Uncoilers

Understanding Coil IDs, Mandrel Sizing, and Shear Pin Safety in Uncoilers

Posted on Wednesday, October 1, 2025

Mismatched sizes can lead to machine damage, downtime, and safety hazards — often evidenced by a shear pin failure.

How Coil Tensile Strength Affects Roll Forming and How to Adjust Your Machine

How Coil Tensile Strength Affects Roll Forming and How to Adjust Your Machine

Posted on Wednesday, October 1, 2025

Changes in tensile strength can significantly affect the finished profile, causing misaligned bends, uneven edges, and out-of-spec parts.

Why Paint Cracks on an Embossing Line Running Pre-Painted Coil and How to Prevent It

Why Paint Cracks on an Embossing Line Running Pre-Painted Coil and How to Prevent It

Posted on Wednesday, October 1, 2025

This issue not only affects the visual quality of the product but can also lead to increased scrap rates and customer complaints.

The Most Popular Standing Seam Metal Roof Panels in the U.S. — A Comprehensive Guide

The Most Popular Standing Seam Metal Roof Panels in the U.S. — A Comprehensive Guide

Posted on Monday, September 29, 2025

In this post, we’ll explore what panel styles and sizes are most popular in the U.S