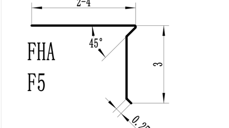
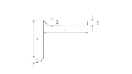
Drip Edge and Coping MM-PR-0050 Drip Edge MM-PR-0051 Drip Edge MM-PR-0052 Drip Edge MM-PR-0053 Drip Edge MM-PR-0054 Drip Edge MM-PR-0055 Drip Edge MM-PR-0057 Coping Drip Flashing MM-PR-0058 Coping Flashing MM-PR-0059 Coping Peak Flashing MM-PR-0060 Coping Standard Flashing