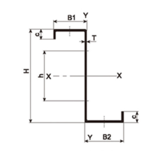
MM-PR-0173 Z Purlin

MM-PR-0173 Z Purlin profile drawing
Type
MM-PR-0173
Profile Name
Z Purlin

Quick Quote

Please enter your full name.

Please enter your location.

Please enter your email address.

Please enter your phone number.

Please enter the machine type.

Please enter the material type.

Please enter the material gauge.

Please upload your profile drawing.

Please enter any additional information.