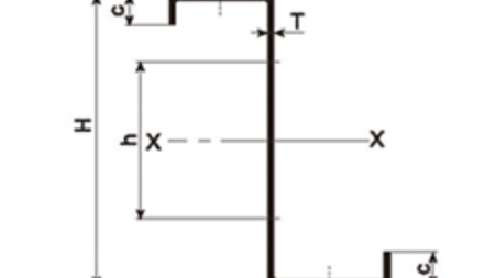
Purlins and Structural Profiles MM-PR-0172 C Purlin MM-PR-0173 Z Purlin MM-PR-0174 Z Purlin MM-PR-0304 M Purlin