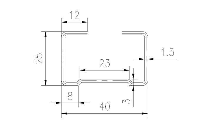
MM-PR-0206 Storage Rack Upright C Section Bracing

MM-PR-0206 Storage Rack Upright C Section Bracing profile drawing
Type
MM-PR-0206
Profile Name
Storage Rack Upright C Section Bracing

Quick Quote

Please enter your full name.

Please enter your location.

Please enter your email address.

Please enter your phone number.

Please enter the machine type.

Please enter the material type.

Please enter the material gauge.

Please upload your profile drawing.

Please enter any additional information.