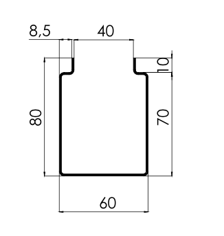
MM-PR-0316 Roller Shutter Door Side Channel Type MM-PR-0316 Profile Name Roller Shutter Door Side Channel