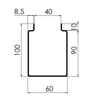
MM-PR-0317 Roller Shutter Door Side Channel Type MM-PR-0317 Profile Name Roller Shutter Door Side Channel