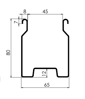
MM-PR-0319 Roller Shutter Door Side Channel Type MM-PR-0319 Profile Name Roller Shutter Door Side Channel