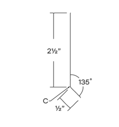
MM-PR-0339 Standing Seam Continuous Cleat Type MM-PR-0339 Profile Name Standing Seam Continuous Cleat